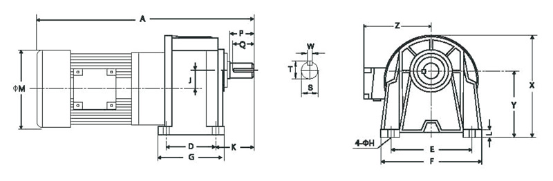
GH臥式三相標準型(剎車)減速馬達
GH系列臥式齒輪減速馬達
語言
190-5756-1776
聯(lián)系電話:19057561776
傳真FAX:021-57272258
郵箱:ycgear115@163.com
地址: 上海市金山區(qū)朱涇鎮(zhèn)工業(yè)園B區(qū)
出 力 軸:18-50
速比范圍:3~6000
功率范圍:100W~4000W
安裝形式:臥式/立式
190-5756-1776
通過CCC、CE、ISO9001認證,工廠擁有全套檢測設備和試驗設備,高精度設備保證產品加 工精度。減速機產品效率高達98%;承載能力大,全封閉不漏油、體積小質量輕、無噪音壽命長!安裝靈活。
